HUB25100

HUB25100
HUB25100

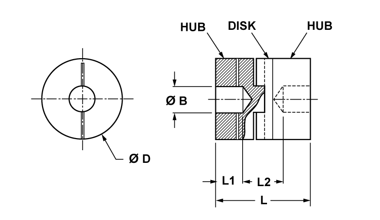
HUB 1/4" BORE 1.0" OD


  • For one complete coupler: Order two “Hubs” with the same O.D. and one matching DISK

Dimensions

dimensions
尺寸價值
[B]0.25 英寸
[D]1 英寸
[L]1.28 英寸
[L1]0.46 英寸
[L2]0.36 英寸

Specifications

Specifications價值

Get Quote

*Please fill out the information below so we can best assist you: