ET12-084-SSCN2S
Can't find what you're looking for? Go to the Product Selector
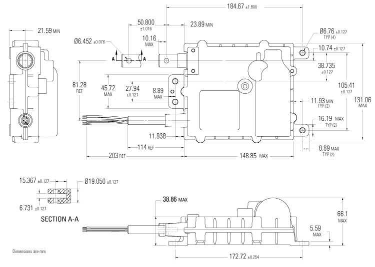
執行器, Electrak Throttle, 12 直流電壓伏特, 10 磅力, 2 英寸, SAE J1939 CAN總線, Cable length 200 毫米, Connector, 兩個接頭均處于0° 位置(標準), 3.3 英寸每秒 移動速度 @ 滿載
- 設計用于工業應用
- 堅固可靠的鋁合金外殼,IP69K/IP67密封防護
- 耐腐蝕的電鍍外殼
- 最低維護
- 集成電子選項
- 以低成本提供高端功能
- 集成安裝孔
