DA24-20B65M10MON
Can't find what you're looking for? Go to the Product Selector
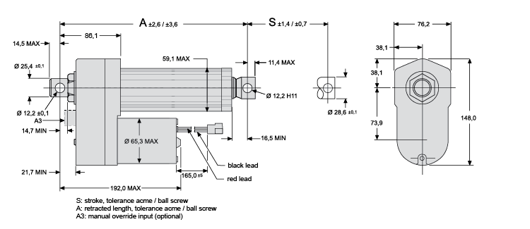
執行器, LA14, 24 直流電壓伏特, 4500 N, 100 毫米, Cable length 165 毫米, Connector, 兩個接頭均處于0° 位置(標準), 12 毫米每秒 移動速度 @ 滿載
- 堅固耐用
- 可承受極其惡劣的環境
- 不銹鋼延長管
- 抗腐蝕鋁合金套管
- 可用耳軸安裝
- 過載離合器實現中間和末端行程保護
- 套管上的T型槽用于磁性傳感器
- 帶熱開關的電機
- 免維護
