202-40-017
Can't find what you're looking for? Go to the Product Selector
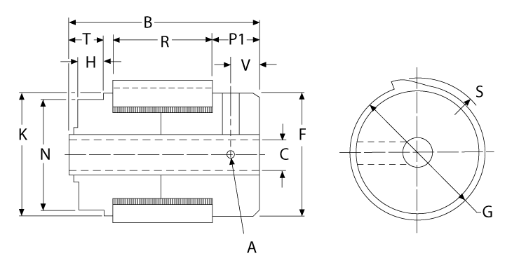
Clutch, PSI2SSICCW.25B4ST, 扭簧, Mechanically Actuated Clutch, 機械驅動,扭簧離合器-2, 單圈, CCW Rotation, 軸輸入, 0.2515 / 0.2525 英寸 Bore, 4 Stop, Mechanical Only, 25 in-lbs 靜態力矩
- PSI系列離合器代表了最基本的扭簧式離合器設計。作為啟?;騿涡D離合器,PSI系列離合器可由外部模塊或者釋放止動環簡單地驅動。作為簡單的超越離合器,PSI系列提供與電源同向的負載正向掛接,但是當輸入電源降低、停止或反向時,允許自由過速轉動。
- 所有裝置都提供輪轂輸入/軸輸出或者相反。PSI系列離合器設計用于需要直接機械控制的應用,性能可靠、簡單易用、成本低。
- RoHS認證
- 機械驅動離合器
- 自潤滑,免維護
