102-10-180
Can't find what you're looking for? Go to the Product Selector
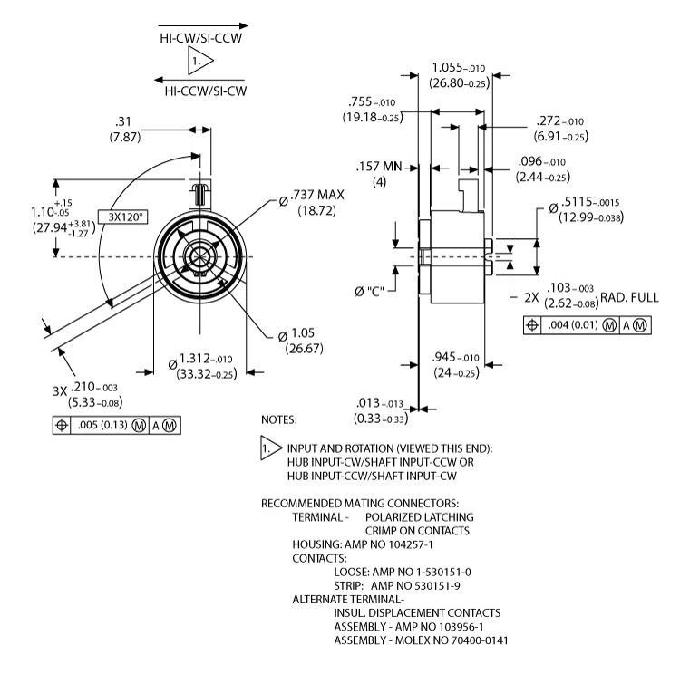
Clutch, DL-33HICW/SICCW24DC-HDR.25B PIN, 扭簧, DuraLIFE™ Clutch, DuraLIFE™,扭簧離合器-33, 懸空引線, 輪轂輸入 CW / 軸輸入 CCW Rotation, 輪轂輸入/軸輸入, 0.2505 / 0.2530 英寸 Bore, 24 Vdc, 30 in-lbs 靜態力矩, Molded Connector
- DuraLIFE系列離合器(DL)是機電式扭簧離合器,它結合了高扭矩、高可靠性和高加速度的特性,并將其集成為一個小型組件,成本極具競爭力。該組件有兩種配置可選:接線柱式或飛腳式。
- 扭簧技術能夠實現非??斓呢撦d響應,速度最高可小于3毫秒(在彈簧收縮后,取決于RPM)
- DL-33是辦公自動化應用(如打印機和復印機)中使用的高成本離合器的即插即用型替代方案。
- 長使用壽命和可靠性能使得DL-33成為許多包裝和汽車應用的理想離合器。
- RoHS認證
